欢迎来到北京康高特 - 只为给你更好的测试体验,只为让我们成为更好的自己! English 中文

telphone

提高超声波流量计量精度

来源:8868登陆入口 发布时间:2016-11-24 16:08:39 作者: 浏览次数:2937次 分类:技术文章

一、引言
        超声波流量检测技术根据被测流体对超声波传播速度产生调制来实现流速测量。近年来随着数字信号处理技术、大规模数字电路的应用以及新型超声换能器的出现,促使超声波流量检测技术取得了长足进步。与传统的流量计相比超声波流量计解决了大管径、大流量及各类明渠、暗渠液体流量测量困难的问题,同时,可以测量包括:液体、气体,甚至对双相介质在内的液体流量,对测量介质无要求。且具有低压降、低能量消耗、测量精度高的优势,所以它正在逐渐取代机械式的流量计。但超声波用于小口径流量测量时,由于超声波穿过被测液体的时间很短,有用的测量信号容易被杂波所淹没,从而影响流量的测量精度。针对小口径超声波流量检测的上述问题,通过硬件电路设计和软件算法的改进,较好的解决了测量精度问题。

二、超声波流量计换能器的驱动和信号处理
        
超声波流量计检测方法主要有:时差法、多普勒效应法、相关法、噪声法、波束偏移法等,时差法超声波流量是依靠在超声波信号传播到介质当中后,在流动的介质里会带有介质流速信息,依靠超声波接收传感器把带有流速信息的超声波回波信号接收到电路板中,进行一系列的信号处理之后*会得到被测介质的流速或者流量。

        
(1)时差法超声波流量计的工作原理
        
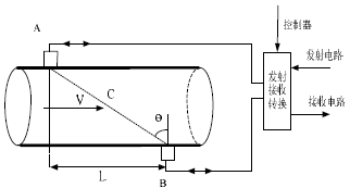
时差法计量的关键是要能够获得高精度的时间测量参数,近几年来,随着高速时间计数处理芯片不断出现,使得几十皮秒的测量精度变得可能,这对于时差法用于小口径超声波流量计提供了计量保证。图1是时差法超声波流量测量法的基本原理图。

图1 超声波流量测量原理

        
两个超声波探头A和B既可以发射又可以接收,当探头A发射,B接收时,超声波*在流体中顺流传播,其速度*要加快,测量出顺流时间;反之逆流传播时超声波的速度*会减慢。

        
时差法中顺流传播时间t1为:


        逆流传播时间t2为:


        顺逆流时间差Δt为:


        可得:


        其中,C为超声波在液体中的声速;L为两个换能器之间的距离;V为管道中心轴方向的平均流速;θ为超声波进入液体的入射角;τ为超声波在液体传播以外的附加时间。

        (2)超声波换能器的驱动控制
        在超声波流量测量时,首先要对换能器进行驱动,激励换能器产生振荡并发出超声波信号,以下是分别采用1个驱动脉冲、10个驱动脉冲和15个驱动脉冲作为换能器的激励源,图2是1个驱动脉冲时,接收端换能器所接收到的波形。可以看出,当一个脉冲驱动时,所接收到的波形比较微弱,波形很不规范。图3是10个驱动脉冲时,接收端换能器所接收到的波形。波形形状得到明显改善。图4是15个驱动脉冲时,接收端换能器所接收到的波形。
图2 1个驱动脉冲接收波
图3 10个脉冲接收波形
图4 15个脉冲接收波形

        由上面几个图可以看出15个脉冲时换能器器接收波形是比较规范的正弦波,幅值较大,GP2*多能发出15个驱动脉冲,因此选用驱动脉冲为15个。

相关产品