欢迎来到北京康高特 - 只为给你更好的测试体验,只为让我们成为更好的自己! English 中文

telphone

基于红外吸收型CO2气体传感器的仪器的简单设计

来源:8868登陆入口 发布时间:2016-05-10 11:14:15 作者: 浏览次数:2862次 分类:技术文章

       CO2浓度的检测方法大致分化学方法和物理方法。CO2浓度检测方法有滴定法、热催化法、气敏法、电化学法,这些属于化学方法,这些方法普遍存在价格贵,普适性差等问题,且测量精度较低。而物理的方法有超声波法、气相色谱法以及众多借助于光学来实现检测的方法。也有像光声光谱法这种化学和物理结合的方法。吸收光谱法的依据是不同化学结构的气体分子对不同波长的辐射的吸收程度不同,CO2气体分子对特定波长的红外光有强烈的吸收。


       目前各种检测用的CO2传感器主要有固体电解质式、钛酸钡复合氧化物电容式、电导变化型厚膜式等,这些传感器存在对气体的选择性差、易出现误报、需要频繁校准、使用寿命较短等不足。而红外吸收型CO2传感器具有测量范围宽、灵敏度高、响应时间快、选择性好、抗干扰能力强等特点。


1.传感原理

       红外吸收型CO2气体传感器是基于气体的吸收光谱随物质的不同而存在差异的原理制成的。不同气体分子化学结构不同,对不同波长的红外辐射的吸收程度*不同,因此,不同波长的红外辐射依次照射到样品物质时,某些波长的辐射能被样品物质选择吸收而变弱,产生红外吸收光谱,故当知道某种物质的红外吸收光谱时,便能从中获得该物质在红外区的吸收峰。


       同一种物质不同浓度时,在同一吸收峰位置有不同的吸收强度,吸收强度与浓度成正比关系。因此通过检测气体对光的波长和强度的影响,便可以确定气体的浓度。


       根据比尔朗伯定律,输出光发光强度I、输入光发光强度I0和气体浓度c之间的关系为


I=I0exp(-αmLc) (1)

       式中:αm为摩尔分子吸收系数;c为待测气体浓度;L为光和气体的作用长度(传感长度)。对式(1)进行变换,得:



2.仪器设计框图

       前端传感器输出的数字信号,以串口方式与STM32进行通讯,此仪器设计三通道采集,利用继电器电路对传感器通道进行选择,STM32将浓度值显示在液晶屏上,液晶屏带有触摸功能,通过编写液晶显示界面,调用相关按键程序,选择传感器通道以及保存为U盘数据等功能。框图如图1所示。

图1仪器设计框图


3.传感器选择

       选择了DYNAMENT公司的premier二氧化碳传感器,此传感器运用非色散红外原理检测气体,它包括长寿命钨红外光源、供扩散气体进入的光通道、一对经温度补偿的红外原理热电交换检测元件、半导体温度传感器和处理红外热电交换检测器信号的电子电路,使用方便快捷,如图2为二氧化碳传感器外形封装图。

图2二氧化碳传感器外形封装


4.硬件电路设计

       本仪器设计3个通道的二氧化碳传感器采集,通过3个继电器来选择传感器的通断。如图3为继电器控制电路。

图3继电器控制电路


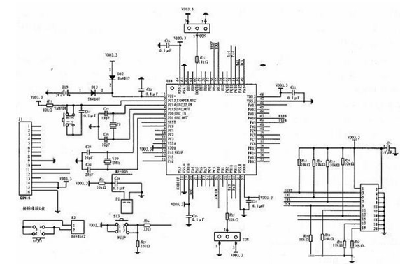
       使用低功耗单片机STM32F103RE,内核为:ARM 32-bitCortex-M3 CPU,尺寸为:10mmx10 mm,带有4个串口,在本仪器设计中,用到3个串口,一个与传感器进行通讯,一个与液晶进行通讯,一个与USB存储模块通讯。如图4为控制器*小系统。


STM32STM32

图4 STM32STM32


       选择迪文科技有限公司的液晶,型号为DMT32240C035_02W,基本参数为:3.5英寸,M100内核,65K色串口液晶人机界面。此款液晶带有触摸功能,系统设计时,不用添加按键电路,只需编写液晶按键程序*能实现按键功能,简单的实现参数的设置,数据保存,档位切换等功能。


5.软件设计

       仪器开机后进入液晶程序界面,选择传感器通道,进入数据采集程序,将当前二氧化碳浓度值显示于液晶屏上,点击液晶显示界面上的保存按钮,保存当前时间的二氧化碳浓度值。仪器软件总体设计流程如图5所示。

图5软件流程图


6.室内实验

       利用组装的便携式二氧化碳监测仪进行了室内的测试实验,如表1为3个通道对同一环境下,二氧化碳浓度的测试数据,每个通道测试10次。从测试数据上看每个通道测试数据较为稳定。且与空气中二氧化碳碳理论在浓度值接近。


7.总结

       该仪器的开发主要是为二氧化碳储存项目服务,对二氧化碳泄露进行监测,针对泄露的二氧化碳浓度值范围不定的情况,仪器设计了三个通道,并通过实验测试了三个通道数据采集情况,测试结果说明,仪器运行正常。

相关产品